Hover
Options:
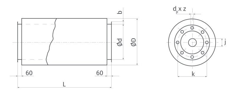
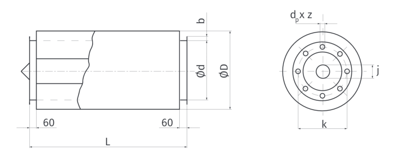
Archives: TECHNICAL SPECIFICATIONS
Andrea Papandreou 108 – 16674 Glyfada
Email: [email protected]
Phone: +30 210 9650850